The modern Compact press is designed for single-stage hot pressing of oilseeds (e.g., oilseed rape, sunflower, etc.) with subsequent filtration of the obtained crude oil. The compact solution includes a powerful FS 350 press and an electric steam generator with a closed circuit, ensuring energy-efficient operation without the need for connection to an external steam source.
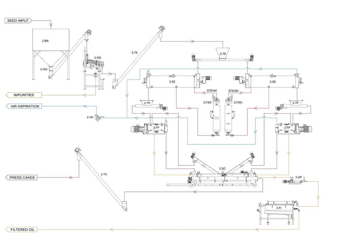
This is a single-stage hot pressing of oilseeds. The starting point of the compact pressing plant is an intermediate hopper with a magnetic separator. The seeds then proceed to the cleaning section, where dust and coarse impurities are removed.
After cleaning, the seeds are preheated in a conveyor to stabilize their temperature even under low ambient temperatures. The preheated seeds are then conveyed to the steam heater, where they are finally heated to the temperature optimal for pressing, which takes place in the FS 350 press.
The pressed oil flows into a sedimentation tank, where solid particles—press cake—present in the crude oil after pressing settle. The settled press cake is separated from the oil by an integrated separator and returned to the press for re-pressing. The sedimentation tank includes integrated oil heating, which, together with press cake separation, ensures high filtration efficiency.
The oil from the sedimentation tank is pumped into a manual plate filter, which removes remaining press cake residues and fine particles. The filtered oil can then proceed to an optional oil storage.
The press cake from the FS 350 press is conveyed to the press cake storage using an inclined conveyor.
In the WP1-2 variant, double capacity is achieved by placing a second FS 350 press on a shared sedimentation tank. The second press is also equipped with a second steam preheater.
The Compact pressing shop can be further expanded with the Dehulling and Shell Separation module, which allows the separation of kernels from shells, where part of the shells is removed and discharged as a by-product. This is especially suitable for processing sunflower and soybean seeds. Removing the shells increases the protein content in the pressed cakes, thus enhancing their feed value. The shells can be processed using the shell granulation accessory, which transforms the shells into pellets, thereby reducing the volume required for shell storage and enabling their energy utilization.
Another optional accessory is Continuous Seed Weighing at the technology input, and for increased cleaning requirements, we recommend including a Destoner to separate stones and heavier impurities.
For treating the pressed cakes, it is possible to purchase Moisturizing of the Cakes with water or additives and Granulation of the Cakes immediately after pressing. For hot pressing technologies, we also recommend Cooling of the Cakes using a counterflow cooler.
The filtered oil is pushed out by a filtration pump and must be directed into a tank. We recommend supplementing with an Oil Storage solution, using plastic tanks with capacities of 1 m³ or 7 m³. The oil storage can be equipped with a dispensing pump that enables transferring oil from the storage tanks into transport containers or tank trucks.
